265F-BED740秒定时芯片
一、功能说明
供电方式:1.5V*3颗AG13电池串联供电,供电电压2.7~4.5V。一路按键输入控制,一路LED输出。
上电不工作,触发按键开始40秒定时工作,40秒后停止。中途触发有效,重新开始计时。
二、电气参数(VDD=5.0V TA=25℃)
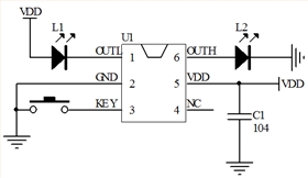
三、封装脚位图(SOT23-6)

五、封装尺寸图(SOT23-6)
六、版本说明
265F-BED740秒定时芯片
一、功能说明
供电方式:1.5V*3颗AG13电池串联供电,供电电压2.7~4.5V。一路按键输入控制,一路LED输出。
上电不工作,触发按键开始40秒定时工作,40秒后停止。中途触发有效,重新开始计时。
二、电气参数(VDD=5.0V TA=25℃)
三、封装脚位图(SOT23-6)
五、封装尺寸图(SOT23-6)
六、版本说明