C9DC-5FE5 灭蚊灯循环定时芯片
一.功能说明
供电方式:DC5V。按键和OPT定时选择输入,三路输出。上电不工作,OUT1、OUT2、LED为低电平。
OPT接VDD:(2小时循环定时)
短按一下按键,OUT1输出高电平(无定时)。
再短按一下按键,OUT1先输出2小时高电平再输出2小时低电平,循环工作,LED指示灯一直亮。
再短按一下按键,OUT2输出高电平(无定时)。
再短按一下按键,关机,依次循环。
OPT接GND:(无定时)
短按一下按键,OUT1输出高电平。
再短按一下按键,OUT2输出高电平。
再短按一下按键,关机,依次循环。
任何模式下按键长按大于7秒,LED指示灯闪烁报警(1HZ占空比50%)。
二.极限参数
Absolute Maximum Ratings
Voltage applied at VDD to VSS .........................................................................................- 0.3V to 6.0V
Voltage applied at any pin to VSS............................................................................- 0.3V to VDD+0.3V
Operating ambient temperature.......................................................................................-20°C to 85°C
Storage ambient temperature ....................................................................................... -40°C to 125°C
三.电气参数
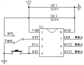
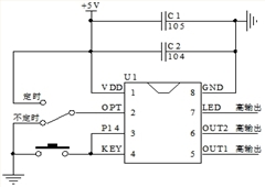
四.封装脚位图
*C2电容可根据电源实际需要调整或省略
六.封装尺寸图
七.版本说明

电话咨询
产品中心
联系丽晶微
网站地图