EH3810-518E-2911长按1秒开关机芯片
一.功能说明
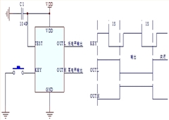
工作电压范围DC2.0V-DC3.6V,一路轻触开关控制,2路输出,上电不工作OUTH输出低电平,OUTL输出高电平。长按开关1秒开机,OUTH输出高电平,OUTL输出低电平。再长按1秒关机输出电平翻转,OUTH输出低电平,OUTL输出高电平。
二.极限参数
Voltage applied at VDD to VSS .............................- 0.3V to 3.8V
Voltage applied at any pin to VSS.........................0.2V to VDD+0.3V
Operating ambient temperature.........................-20°C to 80°C
Storage ambient temperature .......................... -40°C to 125°C
三.电气参数(VDD=3.0V TA=25℃)
接LED电路

五.封装尺寸图(SOT23-6)
六.版本说明


EH3808长按3秒开关机芯片
EH5202长按5秒开关机
长按1-3-5秒开关机芯片
电话咨询
产品中心
联系丽晶微
网站地图