EH5403-5553-2AF2 双按键单输出开关芯片 双按键单输出电子开关芯片,上电不工作,Out1输出低电平。两个按键输入,一路输出; 短按Key1,Out1输出高电平,此时长按3秒Key2,Out1恢复低电平输出。
EH5403-5553-2AF2 双按键单输出开关芯片
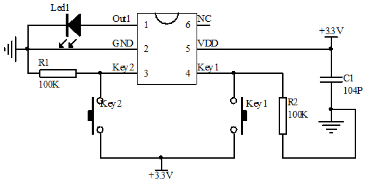
一.功能说明:
双按键单输出电子开关芯片,上电不工作,Out1输出低电平。两个按键输入,一路输出;
短按Key1,Out1输出高电平,此时长按3秒Key2,Out1恢复低电平输出。
二.电气参数(VDD=5.0V TA=25℃)
工作电压:1.8V-3.6V;
工作电流:1uA;
静态电流:1uA;
驱动电流低电平输出:5mA;
驱动电流高电平输出:5mA;
工作温度:-30摄氏度-+85摄氏度;
储存温度:-40摄氏度-+125摄氏度;

五.封装尺寸图(SOT23-6)
六.版本说明
版本
日期
描述
EH5403-5553-2AF2
2025/4/17
V01初版
|
丽晶微芯片定制案例之遥控七彩潜水灯 深圳市某电子有限公司的李经理想开发一款遥控七彩闪灯IC芯片,用在户外七彩潜水灯产品上面,之前李先生找到其他芯片定制的公司,未能达到理想的功能要求,后来找到了丽晶微电子。在业务与李经理的详细沟通后了解到,其之前定制开发的样品经测试,芯片静态功耗太大.....查看详情》》 |
|
丽晶微芯片定制案例之遥控电子蜡烛系列 惠州市某电子科技公司的刘经理想定制一批遥控电子蜡烛IC芯片,惠州市某电子公司专业研发生产销售室内电子蜡烛,室外电子蜡烛,遥控定时电子蜡烛等多种电子蜡烛系列产品。随着出口市场竞争压力越来越大,刘经理在与多家芯片定制的公司合作后.....查看详情》》 |
丽晶微创立于2002年,拥有一批技术精湛的的技术骨干,以及有着丰富经验的电路设计团队和专业创新能力高科技人才;工厂设备齐全,实力雄厚
研发团队会根据您的需求,提供一整套按需定制的解决方案,在技术上保证产品品质、稳定性、可靠性,能更好的解决客户产品遇到的技术服务问题
台湾资深程序设计师全程电路设计,每一线路的放置都考虑他的稳定可靠性,内置多重电路保护,微安级别的待机功耗;同时与QVC、PLG、迪斯尼等代工厂的芯片材料供应商强强联手
完善服务体系,高效,优质的为客户提供全程技术跟踪服务;7*24小时贴心服务,免费提供技术指导,帮助客户解决产品问题,降低生产成本
深圳市丽晶微电子科技有限公司
作为早期成立的从事半导体器件设计制作的企业之一,专注从事模拟电路及数字模拟混合电路开发设计的高技术企业,
主要专业从事CMOS消费类IC:闪灯IC,音乐IC,语音IC,红外线遥控类,LED控制类驱动类、电源管理类集
成电路产品以及MCU类的设计研发和销售的企业,提供标准品类和客户委托开发MASK.....
|
|
