电子蜡烛芯片方案;EC241112-1B2F-995B 8键遥控蜡烛芯片 供电方式:DC4.5V AA*3干电池。三档拨动开关:ON-OFF-TIMER和红外遥控输入控制两路LED低电平输出:1路蜡烛闪(闪法参考样品)、1路常亮。上电工作两组LED亮。晶振坏或无晶振,上电LED先灭2秒再起来跑内频。 OFF档:断电源,IC不工作。 ON档:无定时一直工作。遥控有效,触发遥控后以遥控为准。 TIMER档:6开-18关,24小时循环定时。遥控有效,触发遥控后以遥控为准。 遥控器功能: ON键:开启LED。重复按有闪一下提示。定时状态下按ON键取消定时。 OFF键:关闭LED。短按一下关闭LED和定时。OFF状态下只有ON键有效。定时待机状态下按OFF键,有闪一下提示,并关闭LED。
EC241112-1B2F-995B 8键遥控蜡烛芯片
一、功能说明
供电方式:DC4.5V AA*3干电池。三档拨动开关:ON-OFF-TIMER和红外遥控输入控制两路LED低电平输出:1路蜡烛闪(闪法参考样品)、1路常亮。上电工作两组LED亮。晶振坏或无晶振,上电LED先灭2秒再起来跑内频。
OFF档:断电源,IC不工作。
ON档:无定时一直工作。遥控有效,触发遥控后以遥控为准。
TIMER档:6开-18关,24小时循环定时。遥控有效,触发遥控后以遥控为准。
遥控器功能:
ON键:开启LED。重复按有闪一下提示。定时状态下按ON键取消定时。
OFF键:关闭LED。短按一下关闭LED和定时。OFF状态下只有ON键有效。定时待机状态下按OFF键,有闪一下提示,并关闭LED。
2H键:2开-22关定时。工作2小时待机22小时24小时循环工作。重复按有闪一下提示并重新定时。
4H键:4开-20关定时。工作4小时待机20小时24小时循环工作。重复按有闪一下提示并重新定时。
6H键:6开-18关定时。工作6小时待机18小时24小时循环工作。重复按有闪一下提示并重新定时。
8H键:8开-16关定时。工作8小时待机16小时24小时循环工作。重复按有闪一下提示并重新定时。
Candle键:蜡烛闪。短按一下进入蜡烛闪模式,有闪一下提示。短按此键不影响定时。
Light键:常亮。短按一下进入常亮模式,有闪一下提示。短按此键不影响定时。

二、电气参数(VDD=5.0V TA=25℃)
工作电压:2.4V-5.0V;
工作电流:0.6mA;
静态电流:5uA;超低功耗
驱动电流:30mA;可以外加驱动
工作频率:1MHZ;
工作温度:-10摄氏度-+60摄氏度;
储存温度:-20摄氏度-+100摄氏度;
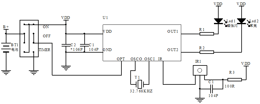
三、电路图参考:
四、封装尺寸图:
五.版本说明:
版本
日期
描述
EC241112-19D2-995B
2024/11/22
V01初版
EC241112-1B2F-995B
2024/12/3
V02微调定时
|
丽晶微芯片定制案例之遥控七彩潜水灯 深圳市某电子有限公司的李经理想开发一款遥控七彩闪灯IC芯片,用在户外七彩潜水灯产品上面,之前李先生找到其他芯片定制的公司,未能达到理想的功能要求,后来找到了丽晶微电子。在业务与李经理的详细沟通后了解到,其之前定制开发的样品经测试,芯片静态功耗太大.....查看详情》》 |
|
丽晶微芯片定制案例之遥控电子蜡烛系列 惠州市某电子科技公司的刘经理想定制一批遥控电子蜡烛IC芯片,惠州市某电子公司专业研发生产销售室内电子蜡烛,室外电子蜡烛,遥控定时电子蜡烛等多种电子蜡烛系列产品。随着出口市场竞争压力越来越大,刘经理在与多家芯片定制的公司合作后.....查看详情》》 |
丽晶微创立于2002年,拥有一批技术精湛的的技术骨干,以及有着丰富经验的电路设计团队和专业创新能力高科技人才;工厂设备齐全,实力雄厚
研发团队会根据您的需求,提供一整套按需定制的解决方案,在技术上保证产品品质、稳定性、可靠性,能更好的解决客户产品遇到的技术服务问题
台湾资深程序设计师全程电路设计,每一线路的放置都考虑他的稳定可靠性,内置多重电路保护,微安级别的待机功耗;同时与QVC、PLG、迪斯尼等代工厂的芯片材料供应商强强联手
完善服务体系,高效,优质的为客户提供全程技术跟踪服务;7*24小时贴心服务,免费提供技术指导,帮助客户解决产品问题,降低生产成本
深圳市丽晶微电子科技有限公司
作为早期成立的从事半导体器件设计制作的企业之一,专注从事模拟电路及数字模拟混合电路开发设计的高技术企业,
主要专业从事CMOS消费类IC:闪灯IC,音乐IC,语音IC,红外线遥控类,LED控制类驱动类、电源管理类集
成电路产品以及MCU类的设计研发和销售的企业,提供标准品类和客户委托开发MASK.....
|
|
