一.功能说明EC2618C 6H-18H循环定时芯片
CMOS制造工艺,低功耗。工作电压宽,抗干扰强。
一路低电平信号输出,上电工作循环定时,LED灯亮6小时灭18小时,24小时循环。
有快速测试按键,接通快速测试按键进入快速测试模式。断开为正常工作模式。
二.电气特性:(Vdd=3.0V,GND=0V,Ta=25℃)
三.
封装脚位图(SOT23-6)
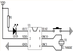
四.应用电路图
备注:因输出电流比较大,建议加限流电阻,负载电流控制在60MA下,如果实际使用更大电流考虑外加驱动
五.封装尺寸图(SOT23-6)


C9DC-5FE5 灭蚊灯循环定时芯片
EH4705三路循环定时芯片
EH4A02循环定时芯片
EC241209 6开18关循环定时芯片
EC211227 高精度循环定时芯片
EH5304 10分钟开30分钟关循环定时芯片
电话咨询
产品中心
联系丽晶微
网站地图