EH5304-2704-2F9F 10分钟开30分钟关循环定时芯片
一.功能说明:
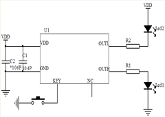
供电方式:DC5V;轻触按键输入,两路LED同步输出:1路高有效、1路低有效;
上电工作,两路LED同步亮10分钟后,转为低电平30分钟灭,亮10分钟-灭30分钟依次循环。中途短按一下按键,关闭LED并停止计时。再短按一下按键开启LED,重新循环定时。
二.电气参数(VDD=5.0VTA=25℃)
工作电压:2.4V-5.0V;
工作电流:0.3mA;
静态电流:2uA;
驱动电流:20mA;
驱动电流:20mA;
工作温度:-10摄氏度-+60摄氏度;
储存温度:-20摄氏度-+100摄氏度;
-
*C2电容可根据电源实际需要调整或省略
五.封装尺寸图(SOT23-6)
六.版本说明


6开18关循环定时芯片SOT23-6
C9DC-5FE5 灭蚊灯循环定时芯片
EH4705三路循环定时芯片
EH4A02循环定时芯片
EC241209 6开18关循环定时芯片
EC211227 高精度循环定时芯片
电话咨询
产品中心
联系丽晶微
网站地图